产品属性
| 品牌 | HEIMANN/海曼 | 批号 | 2025 |
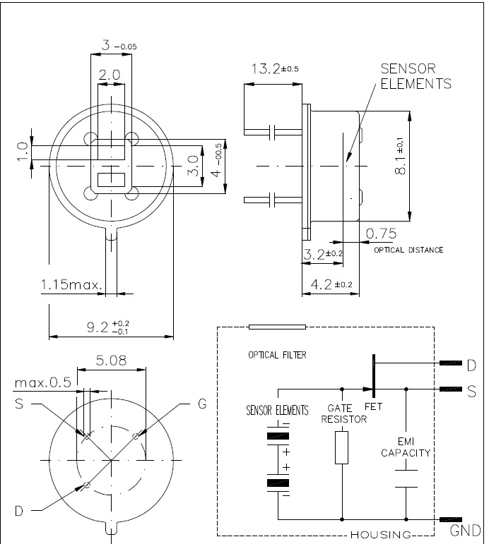
| 封装 | DIP-3 | 仓库 |
交易说明:
- 进口红外传感器
产品详情
热释电红外传感器是利用温度变化的特征来探测红外线的辐射,采用双灵敏元互补的方法抑制温度变化产生的干扰,提高了传感器的工作稳定性。产品应用广泛,例如,保险装置,防盗报警器,感应门,自动灯具,智能玩具等。


公司主营:红外处理芯片:BISS0001,LP8072C,JX0001,CSC9803,LM324
热释电传感器: RE200B,KP500B,KP506B,D203S,D203B,RP500B,T500B
菲涅尔透镜 : 球形,方形,圆形
编解码遥控芯片:EV1527,SC2272M4,SC2272L4,SC2272T4,SC2272L6,SC2262,SC2260,SC1527,
PT2272 PT2262 PT2260 PT2240
声表滤波器: RF315 RF433
产品运用领域:人体感应灯,小夜灯,遥控器,防盗报警器,探测器,摩托车防盗报警,汽车防盗报警等家电领域。
联系人:李先生 0755-83787858 13760222653 QQ:541133894
